36+ Troy Bilt Storm 2620 Parts Diagram
Web To download a FREE copy of a Troy-Bilt Operators Manual. Find Your Model Order What You Need Today.
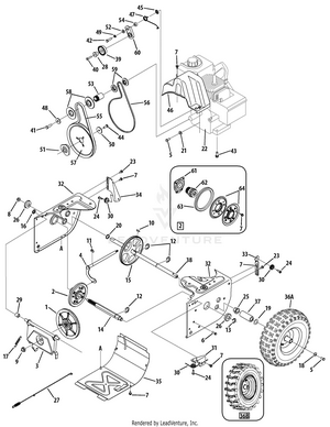
Troy Bilt 31bm63p3711 Storm 2620 2015 Parts Diagram For Label Map 31bm63p3711
Discover The Answers You Need Here.

. Ships in 1 - 4 business days. Same Day Shipping Most Orders. Ad Your One-Stop Shop For OEM Parts.
Web Chute 2-Way 4-Way Extended diagram and repair parts lookup for Troy-Bilt 2620. Web Parts Lookup - Enter a part number or partial description to search for parts within this. Genuine Parts From The Original Manufacturers.
Web Troy Bilt 31BM63P3711 Storm 2620 2014 Exploded View parts lookup by model. Backed By Our Satisfaction Guarantee. Order Parts Online With Confidence At PartsTree.
Use our parts diagram tool below to find. Fix It Easy With Our Step-By-Step Instructions. Ad Shop For Lawn Mower Parts.
Web Up to 32 cash back Lookup Parts by Diagram.
Troy Bilt 2620 31am63p3711 Troy Bilt Storm 26 Snow Thrower 2008 Engine Assembly 370 Sua Parts Lookup With Diagrams Partstree
Troy Bilt 31ah63n2711 Storm 24 5024 Storm 07 Snow Thrower
Amazon Com Pro Chaser Carburetor For Troy Bilt Storm 31as2p5c 31bm63p3711 31ah63n2711 31as63n2711 31am66p3766 31as62n2766 31as2p5c766 31bm63p3766 31am63p3 31bm63p3 31ah63n2011 208cc 21 24 Snow Blower Patio Lawn Garden
Tv6070 Bidirectional Tractor 3 08 12 14 06 Electrical Systems New Holland Agriculture
Troy Bilt Snow Blower Model 31bm63p3711 Troy Bilt Us
Snow Blower Auger Belt 490 501 Y080 Troy Bilt Us
Troy Bilt 31ah64q4766 Storm 2840 2014 Parts Diagram For 478 Sub Carburetor
Troy Bilt 31bm63p3711 Storm 2620 2014 Parts Diagrams
Troy Bilt Storm 2840 31ah64q4711 Ereplacementparts Com
Troy Bilt 31bm63p3711 Storm 2620 2014 Parts Diagram For 370 Suc Starter Assembly Blower Housing
Troy Bilt 2620 31am63p3711 Troy Bilt Storm 26 Snow Thrower 2008 Drive System Parts Lookup With Diagrams Partstree
Troy Bilt Snow Blower Model 31bm63p3711 Troy Bilt Us
Storm 2620 Snow Blower 31cm6cp3b66 Troy Bilt Us
Troy Bilt 31bm63p3 Storm 2620 26 31bm63p3711 31bm63p3766 09 Snow Thrower
Troy Bilt 31bm63p3766 Storm 2620 Snow Blower Operators Manual Manualzz
Troy Bilt Storm 2620 26 In 208 Cc Two Stage Self Propelled Gas Snow Blower With Push Button Electric Start Headlight S At Lowes Com
Troy Bilt Storm 2840 31ah64q4711 Ereplacementparts Com